您当前位置:电力猫 >> 产品中心 >> 开关零配件 >> 浏览文章
开关零配件

JRD2型铝合金加热器

发布时间:2023年06月16日人气:

JRD2型铝合金加热器

    JRD2型铝合金梳状加热器是专为电力设备防潮除湿设计的新型电热器。该加热器采用了专用的铝合金散热板材和优质的合金电热丝组成。它体积小、外型美观、散热均匀、热传导快、散热面积大等特点,从而保证点热丝的使用寿命比一般加热器长很多,可以长期可靠的工作。
    工作电压:AC220V
    额定功率:50~250W±5%
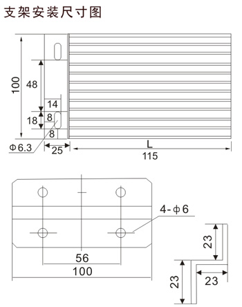
    尺寸(mm):长140  宽100  高26



JRD2型铝合金加热器


扫码微信咨询

Copyright © 2023 电力猫 版权所有(C) All Rights Reserved.  备案号:滇ICP备2022003995号-3     技术支持:网捷科技

展开 收缩

联系电力猫