您当前位置:电力猫 >> 产品中心 >> 低压元器件 >> 继电器 >> 浏览文章
继电器

NDQ6(KG316T)微电脑时控器

发布时间:2023年09月21日人气:

NDQ6(KG316T)微电脑时控器



NDQ6(KG316T)微电脑时控器
NDQ6(KG316T)微电脑时控器
NDQ6(KG316T)微电脑时控器


概述

     ●高精度∶每天时间误差不大于1秒

     ●长寿命∶输出为大功率继电器使 用长寿命硅胶按键

     ●增强型抗干扰能力

     ●每天可设置16组开、16组关

     ●时钟修正功能

     ●防误操作键盘锁

     ●精致小体积 外形

技术参数

     ●计时误差∶≤1秒/天

     ●开关容量∶阻性25A

     ●相对湿度∶<95%

     ●时控范围∶1分-168小时

     ●可编程组数∶16开16关

     ●环境温度∶-20℃~70℃

外形尺寸

NDQ6(KG316T)微电脑时控器

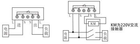
接线图

NDQ6(KG316T)微电脑时控器


扫码微信咨询

Copyright © 2023 电力猫 版权所有(C) All Rights Reserved.  备案号:滇ICP备2022003995号-3     技术支持:网捷科技

展开 收缩

联系电力猫