您当前位置:电力猫 >> 产品中心 >> 低压元器件 >> 继电器 >> 浏览文章
继电器

JL10系列集成电路电流继电器

发布时间:2023年09月21日人气:

JL10系列集成电路电流继电器



JL10系列集成电路电流继电器
JL10系列集成电路电流继电器
JL10系列集成电路电流继电器
JL10系列集成电路电流继电器
JL10系列集成电路电流继电器


用途

     JL10系列集成电路电流继电器是静态型交流电流继电器。用于发电机,变压器和输电线的继电保护装置中,作为电力系统交流回路过负荷或短路的启动元件,给出报警信号或切除故障。

     本系列产品是专为替代DL系列继电器而设计的升级产品。该产品同时具备精度高,功耗小,动作时间快,返回系数高,整定直观方便,整定范围宽以及作为低电压使用时无抖动现象等优点。

主要技术数参

     1.电流整定范围
        a) A:0.5-9.99A    A:0.5-9.99A

     2.功率消耗
        a)交流回路功耗
        b)直流回路功耗

     3.动作时间
        1倍整定值的动作时间不大于40ms ;2倍整定值的动作时间不大于35ms.

     4.返回时间:不大于27ms

     5.返回系数:0.85-0.96

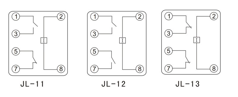
 内部接线图

JL10系列集成电路电流继电器

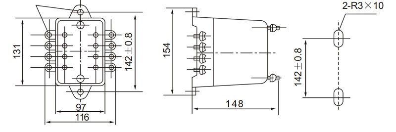
安装尺寸图

JL10系列集成电路电流继电器

凸出式固定(后接线)

JL10系列集成电路电流继电器

凸出式固定(后接线)


扫码微信咨询

Copyright © 2023 电力猫 版权所有(C) All Rights Reserved.  备案号:滇ICP备2022003995号-3     技术支持:网捷科技

展开 收缩

联系电力猫