您当前位置:电力猫 >> 产品中心 >> 低压元器件 >> 继电器 >> 浏览文章
继电器

DX-8、8G信号继电器

发布时间:2023年09月21日人气:

DX-8、8G信号继电器



DX-8、8G信号继电器


应用范围

     DX-8,8G型信号继电器(以下简称继电器)在直流操作的保护和自动控制装置中,用作机械保持和手动复归的动作指 示器。

主要技术参数

     额定值:DC220V,110V,48V,24V,12V,0.01A,0.015A,0.025A,0.05A,0.075A,0.1A,0.15A,0.25A,0.5A,0.75A, 1A,2A,4A.
     动作值:电压型不大于70%额定值;电流型不大于99%额定值。
     功率消耗:电压型不大于3W;电流型不大于0.3W。
     触点数量:在电压不超过250V,电流不超过5A,时间常数为5+0.75ms的直流有感负荷电路中,产品输出触点的断开 容量为50W。输出触点在上述规定的负荷       条件下,产品能可靠动作及返回5x10次。输出触点长期允许接通电流为5A。
     介质强度:产品各导电端子连在一起,对外露的非带电金属部分或外壳之间,能承受2000V(有效值)50Hz交流电压 历时1分钟试验而无绝缘击穿或闪络现象。
     动作时间:不大于30ms.

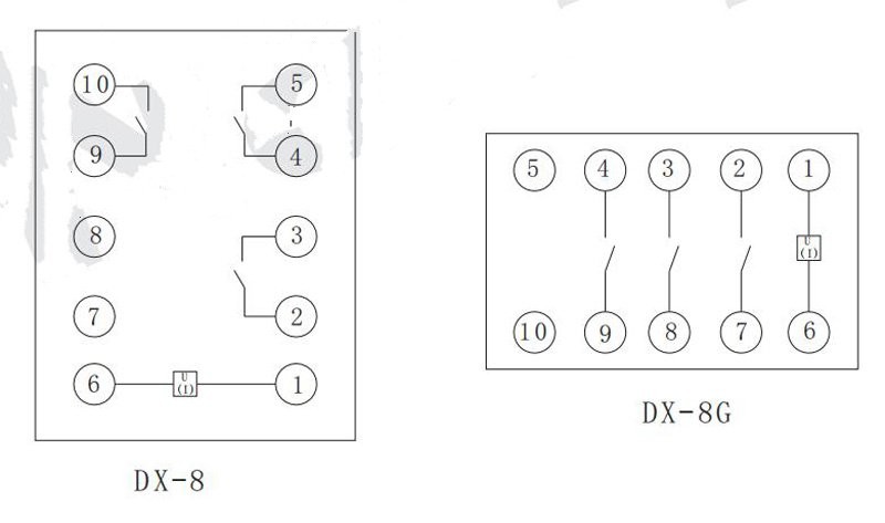
内部接线

DX-8、8G信号继电器

外形及开孔尺寸

DX-8、8G信号继电器


扫码微信咨询

Copyright © 2023 电力猫 版权所有(C) All Rights Reserved.  备案号:滇ICP备2022003995号-3     技术支持:网捷科技

展开 收缩

联系电力猫