

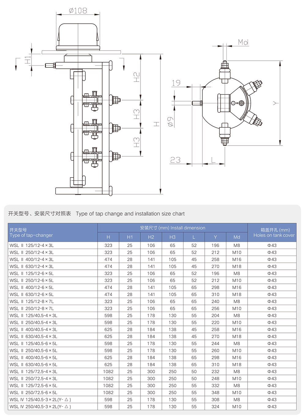
无励磁笼形分接开关(66kV及以下)
De-energized cage-form tap-changer (66kV and below)
本开关有卧式和立式两种,通常适用于频率50、60Hz,设备最高电压12~72.5kV,额定电流63-1000A的三相、单相油浸式电力变压器,其调压部位有中部或中性点两种,可直接固定在变压器箱盖.上或箱壁_上,在无励磁状态下分接调换。
This type of tap-changer has two kinds of products, they are of vertical type and horizontal type. It is usually used in three-phase and single -phase oil-immersed power transformer with frequency of 50,60Hz,highest voltage for equipment 12~ 72.5kV, rated current from 63A to 1000A, it can be regulated on middle or neutral terminal. It can be equipped directly on transformer tank or transformer tank wall working under non-energized condition.



