YZF1-60K油位计

YZF1-60K油位计详细说明
一、用途:
本油位计适用于安装在中小型油浸式变压器储油柜及有载开关储油柜侧壁上的油位指示,也可用于其它敞开或承压容器的液位测量,可取代连通式玻璃管油位计,并自带高低油位开关量信号输出,具有安全、直观、可靠、寿命长等特点.
二、工作条件:
1、工作环境温度: -40℃~80℃
2、相对湿度: 当空气温度为25℃时,湿度不大于90%
3、海拔高度: ≤2000m
4、安装位置无剧烈震动及强磁场
5、油位计应垂直安装
6、工作电压: DC 24V
7、耐压等级:1000V
8、开关信号触点负载:2A120VAC/24VDC阻抗:≤100mΩ额定
三、结构及工作原理:
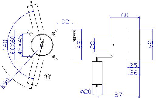
1、油位计结构:油位计由浮子连杆表座磁钢指针等组成。由于油位计表座完全隔离了浮子与指针,从而保证了油位计密封的可靠性。
2、工作原理:当储油柜内的油位由于温度或其它原因升高或降低时,油位计的浮子随着油面同步升高或降低,从而带动指针旋转,指示油位的高低。
3、内部自带位置感应装置,当油位计内指针升至最高点或降至最低点时输出开关闭合信号,指针在其他位置时高低项输出断路信号。
四、注意事项:
1、油位计不宜受到强力冲撞。
2、油位计的连杆不能用力拉伸或使其弯曲变形,使用时附近不能有强磁场。
3、安装图中的密封圈起阻止油渗漏作用,若不能密封,检查螺丝是否拧紧,或安装板与密封圈接触处不平整。
五、安装使用:
1、油位计以25℃时的油温作油面的参考温度,故在安装时应根据实测油温并通过计算得出油位的正确高度。
2、油位计(标准型)最大有效测量范围为100mm,若有其它要求,用户可按需制定(确定图中R90处)。
3、油位计安装前应检查指针是否随浮杆转动而正常转动,无卡滞现场,如有必要可通电测试电信号,油箱注油时应观察油位计指示情况是否正常。
4、油位计端子接线图示:
5、油位计的外型尺寸:
